Waschtischarmatur mit C-Auslauf Eurosmart
EH-WT-Batterie Eurosmart L-Size Push-open Ablaufgarnitur chrom Grohe
KBN ESLPOHS
Smarte Wahl
Der Eurosmart Wasserhahn mit hohem Auslauf bringt neben seinem modernen Design eine Vielzahl schlauer Funktionen mit, was ihn zu einer hervorragenden Wahl für Ihr Badezimmer macht.
Sein integrierter Temperaturbegrenzer bewahrt zuverlässig vor versehentlichen Verbrühungen, dank EcoJoy ist die Durchlaufmenge reduziert, ohne dass Sie einen Unterschied bemerken. Durch die integrierte Grohe SilkMove-Technologie stellen Sie immer ganz genau ein, wie viel Wasser und welche Wärme Sie benötigen. Sparen Sie Energie und Wasser, ohne bei Optik und Qualität zurückzustecken.
Produktserie Eurosmart
Smarte Lösungen und modernes Design bieten die perfekte Lösung für jedes Zuhause.
- Ausschreibungstexte
- Dokumente
- Technische Spezifikation
- Bitte warten...
- Bitte warten...
- Produktvarianten
Ausschreibungstexte
GROHE Eurosmart
Einhand-Waschtischbatterie, 1/2
L-Size
Einlochmontage
Bedienungshebel aus Metall
GROHE SilkMove 28 mm Keramikkartusche
mit Temperaturbegrenzer
GROHE Long-Life Oberfläche
GROHE Water Saving
- weniger Wasser, perfekter Wasserfluss
Maximaler Durchfluss (bei 3 bar):
5 l/min
GROHE FastFixation
Schnellbefestigungssystem
schwenkbarer Rohrauslauf
glatter Körper
mit Push-open Ablaufgarnitur 1 1/4
flexible Anschlussschläuche
chrom
Einhand-Waschtischbatterie, 1/2
L-Size
Einlochmontage
Bedienungshebel aus Metall
GROHE SilkMove 28 mm Keramikkartusche
mit Temperaturbegrenzer
GROHE Long-Life Oberfläche
GROHE Water Saving
- weniger Wasser, perfekter Wasserfluss
Maximaler Durchfluss (bei 3 bar):
5 l/min
GROHE FastFixation
Schnellbefestigungssystem
schwenkbarer Rohrauslauf
glatter Körper
mit Push-open Ablaufgarnitur 1 1/4
flexible Anschlussschläuche
chrom
Dokumente
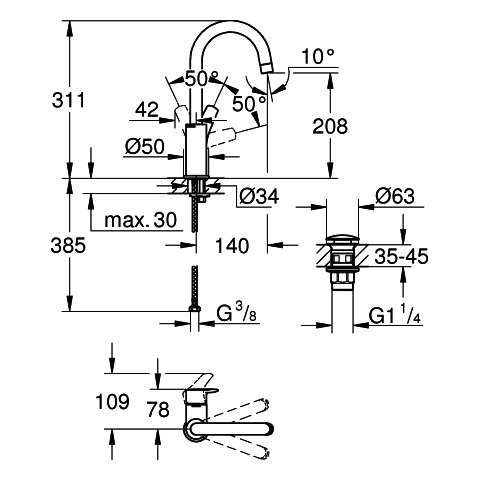
Vermaßte Strichzeichnung
Technische Spezifikation
- Höhe (cm)
- 31.1
- Ausladung (cm)
- 31.1
- Auslaufhöhe (cm)
- 20.8
- Anschluss Vorlauf
- Schlauch (Verschraubung)
- Anschlussverbindung
- Anschlussschlauch, G3/8"
- Max. Zapfkapazität (bei 300 kPa) (l/min)
- 5
- Volumenstromklasse
- ohne
- Thermostatisch
- nein
- Montageart
- Platte / Armaturenloch
- Mit Heißwasser-Sparfunktion
- nein
- Mit Handbrause
- nein
- Mit Ablaufventil
- ja
- Druckart
- Hochdruck
- Anzahl der Armaturenlöcher
- 1
- Anzahl der Griffe
- 1
- Schließmechanismus
- Kartusche keramisch
- Farbe
- chrom
- Farbgruppe (Hauptfarbe)
- silber
- Oberfläche
- verchromt
- Werkstoff
- Messing
- Mit Griff
- ja
- Mittenabstand (cm)
- 0
Bitte warten...
Bitte warten...
Bitte warten...