
Das Extra für den Mann mit Fliege
Die meisten Männer kennen eine besondere Fliege schon seit Jahren – das Starck 3 Urinal Fizz von Duravit ermöglicht ein Wiedersehen. Ob mit oder ohne Fliege auf der Sanitärkeramik – Urinale sind eine rundum saubere Sache. Sie bewahren das Bad vor unnötigen Spuren und bescheren Männern das erfreuliche Extra, sich nicht setzen zu müssen. Daher setzen sich Badkomponenten wie das Starck 3 Urinal Fizz von Duravit auch im privaten Bereich immer mehr als Standard durch. Das wandhängende Urinal ist für die Ausstattung mit einem Deckel ausgelegt. Dieser Deckel ist mit und ohne Absenkautomatik erhältlich. Ebenfalls als Sonderausstattung ist die Oberflächenbeschichtung WonderGliss bestellbar. Die WonderGliss-Beschichtung ist ein Verfahren der chemischen Nanotechnik. Sie sorgt dafür, dass das Wasser im Starck 3 Urinal Fizz von Duravit dicke Tropfen bildet, die schnell abfließen und damit Ablagerungen von Schmutz oder Kalk keine Chance lassen. Außerdem erleichtert WonderGliss die Pflege des Urinals – ein feuchtes Tuch genügt in aller Regel.
Ausschreibungstexte
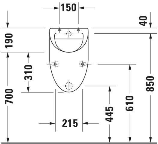
aus Sanitärkeramik 285x305x500mm,
Position Zulauf Hinten, Absauger,
Spülrand geschlossen
Bestellnummer: 0823350000, Farbe: Weiß
Hochglanz, Ausführung: ohne,
Wondergliss: Nein
Dokumente
Pflegeanleitung
Datenblatt
Vermaßte Strichzeichnung
CE-Konformitätserklärung
Technische Spezifikation
- Breite (cm)
- 30.5
- Höhe (cm)
- 50
- Tiefe (cm)
- 28.5
- Durchmesser des Abflusses (cm)
- 5
- Gewicht (kg)
- 13.72
- Montageart
- Wandmontage
- Ausführung Zulauf
- hinten
- Ausführung Ablauf
- verdeckt
- Antibakterielle Behandlung
- ja
- Beschichtung
- ohne
- Verdeckte Befestigung
- ja
- Farbe
- weiß
- Farbgruppe (Hauptfarbe)
- weiß
- Werkstoff
- Keramik
- Produkttyp/Modellnummer
- 82335